Chính hãng 100%
Thanh toán online/COD
Giao nhanh trong HCM
Bảo hành 12-24 tháng
Hỗ trợ 24/7
Khuyến mãi đặc biệt !!!
Metlab Corp là thương hiệu đến từ Mỹ. Chuyên cung cung cấp các loại thiết bị và vật tư mài mẫu-đánh bóng mẫu trong ứng dụng soi cấu trúc kim tương, cấu trúc pha vật liệu, soi độ cứng...
Trong qui trình chuẩn mẫu mẫu soi cấu trúc tế vi hay chuẩn bị mẫu để soi vết nứt, đo độ cứng của vật liệu không thể bỏ qua qui trình mài mẫu bằng giấy nhám.
1. Vậy mục đích của mài mẫu là gì?
Mục đích của bước mài mẫu là loại bỏ các bề mặt gồ gề của mẫu sau quá trình cắt mẫu, làm cho bề mặt mẫu phẳng nhất có thể, bề mặt mẫu sau mài sẽ còn ít vết xướt (công đoạn mài tinh) để chuyển qua công đoạn đánh bóng tinh (đánh bóng gương với dung dịch kim cương và dung dịch nhôm oxit).
2. Có bao nhiêu loại hạt mài mòn được sử dụng ở bước mài mẫu?
Các loại hạt mài mòn điển hình được sử dụng trong bước mài mẫu gồm:
-Silicon Carbide (SiC)
-Alumina (ALO)
-Diamond
-Zirconia
Tùy vào các ứng dụng mà chúng ta sẽ chọn lựa các loại giấy nhám có đính hạt mài mòn khác nhau. Vậy chúng ta sẽ cùng tìm hiểu các hạt mài mòn đó là gì? và lựa chọn chính xác các hạt mài mòn cho ứng dụng của chúng ta:
2.1 Silicon Carbide (carbua silic gọi tắc SIC):
SiC là một chất mài mòn được sản xuất được tạo ra bởi phản ứng ở nhiệt độ cao giữa silica và carbon. Nó có cấu trúc tinh thể hình lục giác và hình thoi và có độ cứng xấp xỉ 2500 HV. SIC là một chất mài mòn lý tưởng có thể dùng để cắt và mài vì độ cứng và các cạnh của nó sắc.
Hạt mài mòn SIC cũng hơi giòn và do đó nó dễ dàng tách ra để tạo ra các cạnh mới sắc bén hơn (gọi là tự tái tạo mặt cắt). SiC là một chất mài mòn tuyệt vời để tối đa hóa tốc độ cắt trong khi giảm thiểu thiệt hại bề mặt mẫu và bên trong mẫu. Để chuẩn bị cho quá trình luyện kim, chất mài mòn SiC được sử dụng trong các lưỡi mài mòn và dùng cho các loại giấy nhám từ 60 grit (rất thô) đến giấy nhám 1200 grit (rất mịn: công công đoạn mài tinh). Giấy mài mòn liên kết hoặc phủ bề mặt hạt mài mòn SiC được thiết kế sao cho chất mài mòn sẽ có một số lượng lớn các điểm cắt (góc mài mòn âm). Để đạt được điều này, qui trình sản xuất làm sao sắp xếp các hạt mài mòn gần với tiếp xúc tốt với lớp nền.
Lưu ý: chất mài mòn được phủ sẽ không hoàn toàn đồng phẳng, do đó, giấy SiC tạo ra hiệu quả tối đa (cho tốc độ cắt, loại bỏ bề mặt kim loại và giảm thiệt hại mẫu ở mức tối thiểu) nhờ chất mài mòn mới lộ ngoài ra khi chất mài mòn cũ bị hỏng và rớt ra ngoài.

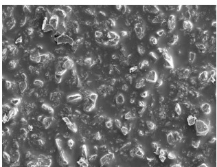
Hình ảnh chụp bề mặt giấy nhám 600 với hạt mài mòn SIC-ảnh chụp trên máy SEM tại độ phóng đại 150x
2.2 Alumina:
Alumina là một vật liệu tự nhiên (Bô xít). Nó tồn tại gốc gamma mềm hơn (mohs 8) hoặc cứng hơn là alpha (mohs 9, độ cứng đạt được 2000 HV). Chất mài mòn Alumina được sử dụng chủ yếu làm chất mài mòn đánh bóng alumina ở công đoạn cuối cùng vì độ cứng và độ bền cao của chúng. Không giống như hạt mài SiC, Alumina phân hủy tương đối dễ dàng thành các hạt subicron hoặc dạng keo.
Lưu ý: các kích thước hạt nhôm được phủ hoặc liên kết lớn hơn, tuy nhiên chúng không lý tưởng cho các ứng dụng luyện kim vì chúng trở nên xỉn màu, dẫn đến tỷ lệ cắt thấp hơn và hư hỏng bề mặt dễ dàng.
2.3 DIAMOND (Kim Cương):
Là loại vật liệu cứng nhất (mohs 10, độ cứng lên đến 8000 HV). Nó có cấu trúc tinh thể lập phương và có sẵn dưới dạng sản phẩm tự nhiên hoặc nhân tạo.
Mặc dù kim cương là lý tưởng để mài thô, nhưng giá thành cao của nó khiến nó trở thành vật liệu mài mòn rất kém hiệu quả đối với bất kỳ ứng dụng nào ngoài trừ vật liệu rất cứng là gốm xứ ( vật liệu ceramic).
2.4 Zirconia:
Zircon hay zirconium silicat, là một chất mài mòn họ khác, rất ít phổ biến hơn và được sử dụng công đoạn mài thô. Nó là một chất mài mòn rất cứng, vì vậy nó tồn tại lâu hơn, tuy nhiên nó thường không cứng hoặc sắc bén. Do đó, để sử dụng hạt mài mòn Zirconia đòi hỏi áp lực mài phải rất lớn để có thể đạt được hiệu quả mài tối đa.
Thông thường, kích thước hạt từ # 60 hoặc #120 đã được coi là kích thước hạt hữu ích nhất để mài kim loại với hạt mài zirconica.
*** Đối với chất mài mòn kim loại, kích thước hạt thường được phân loại theo kích thước grit hoặc kích thước hạt trung bình tính bằng micron. Kích thước hạt sẽ đề cập đến kích thước của hạt nếu nó được phân loại hoặc định kích thước bằng lưới lọc. Nói một cách dễ hiểu hơn là kích thước grit thể hiện số lượng dây hoặc lưới dây trên một diện tích bề mặt được xác định.
Do đó, số lượng hạt lớn hơn sẽ đại diện cho các lỗ nhỏ hơn hoặc nhiều hơn trong màn hình lưới cùng diện tích bề mặt và do đó sẽ tương quan với các hạt có kích thước nhỏ hơn.
Ví dụ:
Hạt 120 grit có kích thước xấp xỉ 105 micron, trong khi đó, hạt 1200 grit có kích thước hạt là 2.5 micron. Sự khác biệt giữa hệ thống phân loại P của Châu Âu (ta thấy ký hiệu trên giấy có chữ P phía trước dãy số). Tiêu chuẩn ANSI hoặc CAMI phổ biến hơn chuẩn P dựa trên số lỗ nếu chiều rộng của lưới thép bị loại bỏ khỏi sự tính toán.
Do đó, đối với các hạt lớn hơn, cấp độ P xấp xỉ bằng số ANSI hoặc CAMI (ví dụ: 120 grit = P120 grit)
Trong khi đó, đối với các hạt mịn hơn, số cấp độ P có thể lớn hơn nhiều (ví dụ: giấy nhám 1200 grit = P4000 grit)
BẢNG SO SÁNH KÍCH CHUẨN GRIT VÀ MICRONSIZE THEO TIÊU CHUẨN CỦA MỸ (CAMI) SO VỚI CHUẨN CHÂU ÂU (P-FEPA)

3. Tìm hiểu về các loại giấy nhám mài khô và mài ướt Silicon Carbide (SIC) của hãng Metlab Corp.
Hiện tại chúng tôi cung cấp các loại giấy nhám với nhiều dạng kích thước và độ hạt grit khác nhau:
Đường kính giấy nhám từ: 8" (203mm), 10" (250mm), 12" (305mm) gồm giấy có keo dán (PSA) và giấy không keo (Plain)
Độ hạt (grit) từ: #60, #80, #120, #180, #240, #320, #400, #600, #800, #1200
Khách hàng có thể order SILICON CARBIDE PAPER theo các mã đặt hàng dưới đây:
GIẤY NHÁM KHÔNG KEO - PLAIN (8", 10", 12")
| Grit # | 8" (203mm) | 10" (254mm) | 12 " (305mm) | Q'ty (pcs)/box |
| 60 | M106-60 | M180-60 | M120-60 | 100 |
| 80 | M106-80 | M180-80 | M120-80 | 100 |
| 120 | M106-120 | M180-120 | M120-120 | 100 |
| 180 | M106-180 | M180-180 | M120-180 | 100 |
| 240 | M106-240 | M180-240 | M120-240 | 100 |
| 320 | M106-320 | M180-320 | M120-320 | 100 |
| 400 | M106-400 | M180-400 | M120-400 | 100 |
| 600 | M106-600 | M180-600 | M120-600 | 100 |
| 800 | M106-800 | M180-800 | M120-800 | 100 |
| 1000 | M106-1000 | M180-1000 | M120-1000 | 100 |
| 1200 | M106-1200 | M180-1200 | M120-1200 | 100 |
GIẤY NHÁM CÓ KEO - PSA (8", 10", 12")
| Grit # | 8" (203mm) | 10" (254mm) | 12 " (305mm) | Q'ty (pcs)/box |
| 60 | M112-60 | M160-60 | M115-60 | 100 |
| 80 | M112-80 | M160-80 | M115-80 | 100 |
| 120 | M112-120 | M160-120 | M115-120 | 100 |
| 180 | M112-180 | M160-180 | M115-180 | 100 |
| 240 | M112-240 | M160-240 | M115-240 | 100 |
| 320 | M112-320 | M160-320 | M115-320 | 100 |
| 400 | M112-400 | M160-400 | M115-400 | 100 |
| 600 | M112-600 | M160-600 | M115-600 | 100 |
| 800 | M112-800 | M160-800 | M115-800 | 100 |
| 1000 | M112-1000 | M160-1000 | M115-1000 | 100 |
| 1200 | M112-1200 | M160-1200 | M115-1200 | 100 |
METLAB là thương hiệu nổi tiếng với các dòng sản phẩm chuẩn bị mẫu kim tương như: máy mài & đánh bóng mẫu, máy cắt mẫu, máy đúc mẫu (ép mẫu) và vật tư giấy nhám các loại
Bên cạnh máy móc còn có các vật tư tiêu hao như: Đá cắt, giấy nhám , bột đúc mẫu, dung dịch mài & đánh bóng mẫu…
Công ty TNHH Thương Mại Dịch Vụ IST là nhà phân phối độc quyền thương hiệu Metlab (Mỹ) tại thị trường Việt Nam.
Chúng tôi tâm niệm luôn đặt chất lượng sản phẩm lên đầu, sau đó là giá cả.
Các sản phẩm giấy nhám của chúng tôi có giá cạnh tranh hơn so với các đối thủ khác cùng phân khúc trên thị trường như: Buehler, Allied, Struer.
Chúng tôi có đội ngũ tư vấn nhiệt tình, giúp bạn lựa chọn các loại giấy nhám phù hợp với nhu cầu & ứng dụng của bạn.
>> Tham khảo thêm các vật tư chuẩn bị mẫu: mài và đánh bóng mẫu tại đây:
Để biết thêm thông tin chi tiết về các loại giấy nhám 8", 10", 12" hoặc bất kỳ sản phẩm nào khác. Anh/chị vui lòng liên hệ với chúng tôi theo địa chỉ bên dưới .Chúng tôi rất sẵn lòng hỗ trợ quý anh/chị:
------------------------------------------------------------------------------------------------
CÔNG TY TNHH THƯƠNG MẠI DỊCH VỤ IST
95 Đường 10, P.Phước Bình, Tp.Thủ Đức, Tp.HCM
Hotline: 0903.673.194 / Zalo: 0937.673.194
Email: sale@ist.com.vn - support@ist.com.vn
Zalo: 0937.673.194
Website: www.ist.com.vn or www.ist.vn
Bước 1: Truy cập website và lựa chọn sản phẩm cần mua
Bước 2: Click và sản phẩm muốn mua, màn hình hiển thị ra pop up với các lựa chọn sau
Nếu bạn muốn tiếp tục mua hàng: Bấm vào phần tiếp tục mua hàng để lựa chọn thêm sản phẩm vào giỏ hàng
Nếu bạn muốn xem giỏ hàng để cập nhật sản phẩm: Bấm vào xem giỏ hàng
Nếu bạn muốn đặt hàng và thanh toán cho sản phẩm này vui lòng bấm vào: Đặt hàng và thanh toán
Bước 3: Lựa chọn thông tin tài khoản thanh toán
Nếu bạn đã có tài khoản vui lòng nhập thông tin tên đăng nhập là email và mật khẩu vào mục đã có tài khoản trên hệ thống
Nếu bạn chưa có tài khoản và muốn đăng ký tài khoản vui lòng điền các thông tin cá nhân để tiếp tục đăng ký tài khoản. Khi có tài khoản bạn sẽ dễ dàng theo dõi được đơn hàng của mình
Nếu bạn muốn mua hàng mà không cần tài khoản vui lòng nhấp chuột vào mục đặt hàng không cần tài khoản
Bước 4: Điền các thông tin của bạn để nhận đơn hàng, lựa chọn hình thức thanh toán và vận chuyển cho đơn hàng của mình
Bước 5: Xem lại thông tin đặt hàng, điền chú thích và gửi đơn hàng
Sau khi nhận được đơn hàng bạn gửi chúng tôi sẽ liên hệ bằng cách gọi điện lại để xác nhận lại đơn hàng và địa chỉ của bạn.
Trân trọng cảm ơn.
1. BẢO HÀNH
Bảo hành sản phẩm là: khắc phục những lỗi hỏng hóc, sự cố kỹ thuật xảy ra do lỗi của nhà sản xuất.
1.1. Quy định về bảo hành
– Sản phẩm được bảo hành miễn phí nếu sản phẩm đó còn thời hạn bảo hành được tính kể từ ngày giao hàng, sản phẩm được bảo hành trong thời hạn bảo hành ghi trên Sổ bảo hành, Tem bảo hành và theo quy định của từng hãng sản xuất liên quan đến tất cả các sự cố về mặt kỹ thuật.
– Có Phiếu bảo hành và Tem bảo hành của công ty hoặc nhà phân phối, hãng trên sản phẩm. Trường hợp sản phẩm không có số serial ghi trên Phiếu bảo hành thì phải có Tem bảo hành của CÔNG TY DOLA (kể cả Tem bảo hành gốc).
1.2. Những trường hợp không được bảo hành
– Sản phẩm đã hết thời hạn bảo hành hoặc mất Phiếu bảo hành.
– Số mã vạch, số serial trên sản phẩm không xác định được hoặc sai so với Phiếu bảo hành.
– Tự ý tháo dỡ, sửa chữa bởi các cá nhân hoặc kỹ thuật viên không phải là nhân viên CÔNG TY DOLA
– Sản phẩm bị cháy nổ hay hỏng hóc do tác động cơ học, biến dạng, rơi, vỡ, va đập, bị xước, bị hỏng do ẩm ướt, hoen rỉ, chảy nước, động vật xâm nhập vào, thiên tai, hỏa hoạn, sử dụng sai điện áp quy định.
– Phiếu bảo hành, Tem bảo hành bị rách, không còn Tem bảo hành, Tem bảo hành dán đè, hoặc Tem bảo hành bị sửa đổi (kể cả Tem bảo hành gốc).
– Trường hợp sản phẩm của Quý khách hàng dán Tem bảo hành của CÔNG TY DOLA hay nhầm lẫn thông tin trên Phiếu bảo hành, Phiếu mua hàng: Trong trường hợp này, bộ phận bảo hành sẽ đối chiếu với số phiếu xuất gốc lưu tại Công ty, hóa đơn, phần mềm của Công ty hay thông tin của nhà phân phối, hãng, các Quý khách hàng khác mua cùng sản phẩm cùng thời điểm, nếu có sự sai lệch thì sản phẩm của Quý khách không được bảo hành (có thể Tem bảo hành của Công ty bị thất thoát và bị lợi dụng dán lên thiết bị hay nhầm lẫn nhỏ khi nhập, in ra). Kính mong Quý khách hàng thông cảm!
– Bảo hành không bao gồm vận chuyển hàng và giao hàng.
2. BẢO TRÌ
Bảo trì, bảo dưỡng: bao gồm lau chùi sản phẩm, sửa chữa những hỏng hóc nhỏ có thể sửa được (không bao gồm thay thế thiết bị). Thời gian bảo trì, bảo dưỡng tùy thuộc vào sự thỏa thuận giữa DOLA và Quý khách hàng.